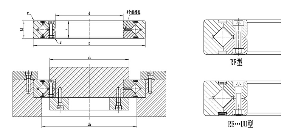
轴径 | 型号 | 主要尺寸 (mm) | 靠肩尺寸 |
基本的额定负荷 (径向) |
重量 | ||||||||
内径 | 外径 | 滚子节圆直径 | 宽度 | 油 孔 | 倒角 | ||||||||
C | C0 | ||||||||||||
d | D | dp | B/B1 | a | b | r min | ds | Dh | kN | kN | kg | ||
25 | RE2508 | 25 | 41 | 34 | 8 | 2 | 0.8 | 0.5 | 28.5 | 35.5 | 3.63 | 3.83 | 0.05 |
30 | RE3010 | 30 | 55 | 43.5 | 10 | 2.5 | 1 | 0.6 | 37 | 47 | 7.35 | 8.36 | 0.12 |
35 | RE3510 | 35 | 60 | 48.5 | 10 | 2.5 | 1 | 0.6 | 41 | 51.5 | 7.64 | 9.12 | 0.13 |
40 | RE4010 | 40 | 65 | 53.5 | 10 | 2.5 | 1 | 0.6 | 47.5 | 58 | 8.33 | 10.6 | 0.16 |
45 | RE4510 | 45 | 70 | 58.5 | 10 | 2.5 | 1 | 0.6 | 51 | 61.5 | 8.62 | 11.3 | 0.17 |
50 | RE5013 | 50 | 80 | 66 | 13 | 2.5 | 1.6 | 0.6 | 57.5 | 72 | 16.7 | 20.9 | 0.27 |
60 | RE6013 | 60 | 90 | 76 | 13 | 2.5 | 1.6 | 0.6 | 68 | 82 | 18 | 24.3 | 0.3 |
70 | RE7013 | 70 | 100 | 86 | 13 | 2.5 | 1.6 | 0.6 | 78 | 92 | 19.4 | 27.7 | 0.35 |
80 | RE8016 | 80 | 120 | 101.4 | 16 | 3 | 1.6 | 0.6 | 91 | 111 | 30.1 | 42.1 | 0.7 |
90 | RE9016 | 90 | 130 | 112 | 16 | 3 | 1.6 | 1 | 98 | 118 | 31.4 | 45.3 | 0.75 |
100 | RE10016 | 100 | 140 | 121.1 | 16 | 3 | 1.6 | 1 | 109 | 129 | 31.7 | 48.6 | 0.83 |
100 | RE10020 | 100 | 150 | 127 | 20 | 3.5 | 1.6 | 1 | 113 | 133 | 33.1 | 50.9 | 1.45 |
110 | RE11012 | 110 | 135 | 123.3 | 12 | 2.5 | 1 | 0.6 | 117 | 127 | 12.5 | 24.1 | 0.4 |
110 | RE11015 | 110 | 145 | 129 | 15 | 3 | 1.6 | 0.6 | 122 | 136 | 23.7 | 41.5 | 0.75 |
110 | RE11020 | 110 | 160 | 137 | 20 | 3.5 | 1.6 | 1 | 120 | 140 | 34 | 54 | 1.56 |
120 | RE12016 | 120 | 150 | 136 | 16 | 3 | 1.6 | 0.6 | 127 | 141 | 24.2 | 43.2 | 0.72 |
120 | RE12025 | 120 | 180 | 152 | 25 | 3.5 | 2 | 1.5 | 133 | 164 | 66.9 | 100 | 2.62 |
130 | RE13015 | 130 | 160 | 146 | 15 | 3 | 1.6 | 0.6 | 137 | 152 | 25 | 46.7 | 0.72 |
130 | RE13025 | 130 | 190 | 162 | 25 | 3.5 | 2 | 1.5 | 143 | 174 | 69.5 | 107 | 2.82 |
140 | RE14016 | 140 | 175 | 160 | 16 | 3 | 1.6 | 1 | 147 | 162 | 25.9 | 50.1 | 1 |
140 | RE14025 | 140 | 200 | 172 | 25 | 3.5 | 2 | 1.5 | 154 | 185 | 74.8 | 121 | 2.96 |
150 | RE15013 | 150 | 180 | 166 | 13 | 2.5 | 1.6 | 0.6 | 158 | 172 | 27 | 53.5 | 0.68 |
150 | RE15025 | 150 | 210 | 182 | 25 | 3.5 | 2 | 1.5 | 164 | 194 | 76.8 | 128 | 3.16 |
150 | RE15030 | 150 | 230 | 192 | 30 | 4.5 | 3 | 1.5 | 173 | 210 | 100 | 156 | 5.3 |
160 | RE16025 | 160 | 220 | 192 | 25 | 3.5 | 2 | 1.5 | 173 | 204 | 81.7 | 135 | 3.14 |
170 | RE17020 | 170 | 220 | 196.1 | 20 | 3.5 | 1.6 | 1.5 | 184 | 198 | 29 | 62.1 | 2.21 |
180 | RE18025 | 180 | 240 | 210 | 25 | 3.5 | 2 | 1.5 | 195 | 225 | 84 | 143 | 3.44 |
190 | RE19025 | 190 | 240 | 219 | 25 | 3.5 | 1.6 | 1 | 202 | 222 | 41.7 | 82.9 | 2.99 |
200 | RE20025 | 200 | 260 | 230 | 25 | 3.5 | 2 | 2 | 215 | 245 | 84.2 | 157 | 4 |
200 | RE20030 | 200 | 280 | 240 | 30 | 4.5 | 3 | 2 | 221 | 258 | 114 | 200 | 6.7 |
200 | RE20035 | 200 | 295 | 247.7 | 35 | 5 | 3 | 2 | 225 | 270 | 151 | 252 | 9.6 |
220 | RE22025 | 220 | 280 | 250.1 | 25 | 3.5 | 2 | 2 | 235 | 265 | 92.3 | 171 | 4.1 |
240 | RE24025 | 240 | 300 | 272.5 | 25 | 3.5 | 2 | 2.5 | 256 | 281 | 68.3 | 145 | 4.5 |
250 | RE25025 | 250 | 310 | 280.9 | 25 | 3.5 | 2 | 2.5 | 268 | 293 | 69.3 | 150 | 5 |
250 | RE25030 | 250 | 330 | 287.5 | 30 | 4.5 | 3 | 2.5 | 269 | 306 | 126 | 244 | 8.1 |
250 | RE25040 | 250 | 355 | 300.7 | 40 | 6 | 3.5 | 2.5 | 275 | 326 | 195 | 348 | 14.8 |
300 | RE30025 | 300 | 360 | 332 | 25 | 3.5 | 2 | 2.5 | 319 | 344 | 75.5 | 178 | 5.9 |
300 | RE30035 | 300 | 395 | 345 | 35 | 5 | 3 | 2.5 | 322 | 368 | 183 | 367 | 13.4 |
300 | RE30040 | 300 | 405 | 351.6 | 40 | 6 | 3.5 | 2.5 | 326 | 377 | 212 | 409 | 17.2 |
350 | RE35020 | 350 | 400 | 376.6 | 20 | 3.5 | 1.6 | 2.5 | 363 | 383 | 54.1 | 143 | 3.9 |
400 | RE 40035 | 400 | 480 | 440.3 | 35 | 5 | 3.5 | 2.5 | 422 | 459 | 156 | 370 | 14.5 |
400 | RE 40040 | 400 | 510 | 453.4 | 40 | 6 | 3.5 | 2.5 | 428 | 479 | 241 | 531 | 23.5 |
450 | RE 45025 | 450 | 500 | 476.6 | 25 | 3.5 | 1.5 | 1 | 464 | 484 | 61.7 | 182 | 6.6 |
500 | RE 50025 | 500 | 550 | 526.6 | 25 | 3.5 | 1.5 | 1 | 514 | 534 | 65.5 | 201 | 7.3 |
500 | RE 50040 | 500 | 600 | 548.8 | 40 | 6 | 3.5 | 2.5 | 526 | 572 | 239 | 607 | 26 |
500 | RE 50050 | 500 | 625 | 561.6 | 50 | 6 | 3.5 | 2.5 | 536 | 587 | 267 | 653 | 41.7 |
600 | RE 60040 | 600 | 700 | 650 | 40 | 6 | 4 | 3 | 627 | 673 | 264 | 721 | 29 |