糖心

欢迎您访问糖心 有限公司网站,公司主要生产精密交叉滚子糖心 ,YRT转台糖心 ,柔性糖心 ,谐波减速机糖心 ,薄壁精密糖心 ,中空旋转平台糖心 等产品。
全国咨询热线: 0379-63123369 15670310586

新闻资讯

新闻资讯

交叉滚子糖心 尺寸表

作者:LKPB2022-09-06 14:29:16

交叉滚子糖心 又叫十字交叉滚子糖心 ,滚动体一般采用圆柱滚子或者圆锥滚子在单一的滚道上十字交叉相互排列,滚子与滚子之间通过保持器或者隔离块间隔,其具有较高的旋转精度、较大的承载能力、较小的外形尺寸及较高的旋转速度和刚性,具有广泛的用途及其他糖心 无法比拟的优越性。

 

这种十字交叉布置滚子的结构使得单个糖心 就可以承受轴向载荷、径向载荷和倾覆力矩等各方面的载荷,与传统结构糖心 相比,刚性提高3~4倍,同时,该系列糖心 的外形尺寸被大限度的小型化,超薄的结构是接近极限的小型化尺寸,并且具有高刚性,所以适合于工业机器人的关节部位或者旋转部位、糖心加工中心的旋转工作台、糖心手旋转部、精密旋转工作台、转塔、医疗仪器等应用场合。

 

糖心 有限公司的交叉滚子糖心 可分为RARBRUSXXSUCRBHCRBFCRBT系列产品

 

1. RA系列产品型号尺寸

微信截图_20220802125543(1).png

 

2. RB系列产品型号尺寸

 

H18f7041bca5949128bd5169e0087d40cZ(1).png

 

 

3. RU系列产品型号尺寸

 

 

微信截图_20220802180015(1).png

 

 

4. SX系列产品型号尺寸

 

160537122506(1).png

 

5. XSU系列产品型号尺寸

 

155416552506_副本(1).png

 

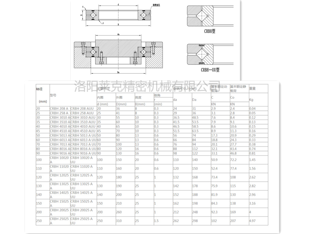
6. CRBH系列产品型号尺寸

 

CRBH3_副本(1).png

 

7. CRBF系列产品型号尺寸

 

微信截图_20220906131645(1).png

 

8. CRBT系列产品型号尺寸

 

160924722506(1).png

 

如有产品选型方面的咨询,随时联系我们,15670310586