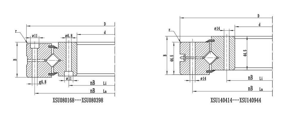
XSU 系列(内外环一体型),带安装孔,无齿双侧密封型交叉圆柱滚子回转支撑糖心 ,能用于外环和内环旋转。
型号 | 主要尺寸 | 基本额定载荷(轴向) | 基本额定载荷(径向) | 重量 | ||||||||
内圈 | 外圈 | 宽度 | 安装孔 | 倒角 | φLa | φLi | Ca | C0a | Cr | Cor | Kg | |
d | D | B | nB | r | KN | KN | KN | KN | ||||
(mm) | (mm) | (mm) | (mm) | (min) | ||||||||
XSU080168 | 130 | 205 | 25.4 | 12 | 1.1 | 190 | 145 | 66 | 240 | 42 | 96 | 3.3 |
XSU080188 | 150 | 225 | 25.4 | 16 | 1.1 | 210 | 165 | 71 | 275 | 46 | 110 | 3.7 |
XSU080218 | 180 | 255 | 25.4 | 20 | 1.1 | 240 | 195 | 77 | 315 | 49 | 127 | 4.3 |
XSU080258 | 220 | 295 | 25.4 | 24 | 1.5 | 280 | 235 | 84 | 375 | 54 | 151 | 5.1 |
XSU080318 | 280 | 355 | 25.4 | 28 | 1.5 | 340 | 295 | 93 | 465 | 59 | 185 | 6.3 |
XSU080398 | 360 | 435 | 25.4 | 36 | 2 | 420 | 375 | 106 | 590 | 68 | 236 | 7.8 |
XSU140414 | 344 | 484 | 56 | 24 | 2 | 460 | 368 | 229 | 520 | 146 | 250 | 28 |
XSU140544 | 474 | 614 | 56 | 32 | 2.5 | 590 | 498 | 270 | 680 | 170 | 330 | 38 |
XSU140644 | 574 | 714 | 56 | 36 | 2.5 | 690 | 598 | 290 | 800 | 185 | 395 | 44 |
XSU140744 | 674 | 814 | 56 | 40 | 3 | 790 | 698 | 315 | 930 | 200 | 455 | 52 |
XSU140844 | 744 | 914 | 56 | 40 | 3 | 890 | 798 | 340 | 1050 | 215 | 510 | 60 |
XSU140944 | 874 | 1014 | 56 | 44 | 3 | 990 | 898 | 360 | 1170 | 227 | 580 | 67 |
XSU141094 | 1024 | 1164 | 56 | 48 | 4 | 1140 | 1048 | 390 | 1360 | 246 | 670 | 77 |