糖心

欢迎您访问糖心 有限公司网站,公司主要生产精密交叉滚子糖心 ,YRT转台糖心 ,柔性糖心 ,谐波减速机糖心 ,薄壁精密糖心 ,中空旋转平台糖心 等产品。
全国咨询热线: 0379-63123369 15670310586

产品展示

交叉滚子糖心

RU系列交叉滚子糖心

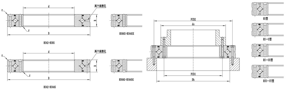
RU系列(内外环一体型),此系列型号由于已经进行了安装孔的加工,就不需要法兰和支承座。另外,由于采用带座的一体化内环结构,安装对性能几乎没有影响,因此能够获得稳定的旋转精度和扭矩。能用于外环和内环旋转。
品牌: 滚道形状:
产品详情

RU系列(内外环一体型),此系列型号由于已经进行了安装孔的加工,就不需要法兰和支承座。另外,由于采用带座的一体化内环结构,安装对性能几乎没有影响,因此能够获得稳定的旋转精度和扭矩。能用于外环和内环旋转。

 

RU结构图.jpg

 


RU系列(内外环一体型),此系列型号由于已经进行了安装孔的加工,就不需要法兰和支承座。另外,由于采用带座的一体化内环结构,安装对性能几乎没有影响,因此能够获得稳定的旋转精度和扭矩。能用于外环和内环旋转。
RU系列交叉滚子糖心
(图2)
糖心 型号 尺寸 靠肩尺寸 基本额定载荷
                 (径向)
安装孔尺寸 重量
内径 外径 滚子节圆直径 宽度 油孔 倒角 内圈 外圈
d D dp B d1 r ds Dh Cr/kN Cor/kN PCD1 安装孔 PCD2 安装孔 kg
RU28 10 52 28 8 3.1 0.3 24 29.5 2.9 3.4 16 4-M3贯通 42 6-ф3.4贯通,ф6.5沉孔深度3.3 0.12
RU42 20 70 41.5 12 3.1 0.3 37 47 7.35 8.35 28 6-M3贯通 57 6-ф3.4贯通,ф6.5沉孔深度3.3 0.29
RU57 25 80 57 12 3.1 0.6 47 58 8.61 10.6 35 6-M3贯通 67 6-ф3.4贯通,ф6.5沉孔深度3.3 0.4
RU66 35 95 66 15 3.1 0.6 59 74 17.5 22.3 45 8-M4贯通 83 8-ф4.5贯通,ф8沉孔深度4.4 0.62
RU85 55 120 85 15 3.1 0.6 79 93 20.3 29.5 65 8-M5贯通 105 8-ф5.5贯通,ф9.5沉孔深度5.4 1
RU124(G) 80 165 124 22 3.1 1 114 134 33.1 50.9 97 10-ф5.5贯通,ф9.5沉孔深度5.4 148 10-ф5.5贯通,ф9.5沉孔深度5.4 2.6
RU124X 80 165 124 22 3.1 1 114 134 33.1 50.9 97 10-M5贯通 148 10-ф5.5贯通,ф9.5沉孔深度5.4  
RU148(G) 90 210 147.5 25 3.1 1.5 133 162 49.1 76.8 112 12-ф9 贯通,ф14沉孔深度8.6 187 12-ф9 贯通,ф14沉孔深度8.6 4.9
RU148X 90 210 147.5 25 3.1 1.5 133 162 49.1 76.8 112 12-M8贯通 187 12-ф9 贯通,ф14沉孔深度8.6  
RU178(G) 115 240 178 28 3.1 1.5 161 195 80.3 135 139 12-ф9 贯通,ф14沉孔深度8.6 217 12-ф9 贯通,ф14沉孔深度8.6 6.8
RU178X 115 240 178 28 3.1 1.5 161 195 80.3 135 139 12-M8贯通 217 12-ф9 贯通,ф14沉孔深度8.6  
RU228(G) 160 295 227.5 35 6 2 208 246 104 172 184 12-ф11 贯通,ф17.5沉孔深度10.8 270 12-ф11 贯通,ф17.5沉孔深度10.8 11.4
RU228X 160 295 227.5 35 6 2 208 246 104 172 184 12-M10贯通 270 12-ф11 贯通,ф17.5沉孔深度10.8  
RU297(G) 210 380 297.3 40 6 2.5 272 320 156 281 240 16-ф14 贯通,ф20沉孔深度13 350 16-ф14 贯通,ф20沉孔深度13 21.3
RU297X 210 380 297.3 40 6 2.5 272 320 156 281 240 16-M12贯通 350 16-ф14 贯通,ф20沉孔深度13  
RU445(G) 350 540 445.4 45 6 2.5 417 473 222 473 385 24-ф14 贯通,ф20沉孔深度13 505 24-ф14 贯通,ф20沉孔深度13 35.4
RU445X 350 540 445.4 45 6 2.5 417 473 222 473 385 24-M12贯通 505 24-ф14 贯通,ф20沉孔深度13